100 kVA enofaznega paličnega transformatorja
Ocene primarne napetosti: 13,8 kV; 12,47kV; 2,4; 7,2kV; 14,4kV; 24,94kV; 34,5kV; 27,6kv, 14,4*16kv, 16*27,6kv, 2,4*7,2kv, eksekt
Ocene sekundarnih napetosti: 120/240V; 240/480V; 347/600Y; 277V; 347V
H . v . Tapnite Range: 2280-36225 v
Vrsta povezave: II 0/II6
Vrsta: Običajni/CSP
Bil: 30-150 kV
Imate vprašanja? Prodajni predstavniki Gnee so zdaj na voljo za klepet v živo
Pošljite e-pošto:sales@gneeelectric.com
Tel:+8615824687445
Kot vodilni proizvajalec transformatorjev na Kitajskem lahko GNee Electric zagotovi 100 kVa palice, nameščene na palici .
100KVA Običajni transformator, nameščen enofazni transformator z enofaznim enofaznim transformatorjem, je zasnovan tako, da ustreza potrebam sistemov za distribucijo energije srednje obremenitve . Ta transformator se široko uporablja v stanovanjskih območjih, komercialnih območjih, majhnih panogah, namakanju v kmetijstvu in napajanju v skladu z različnimi potrebami in delovnim okoljem, ki so različni uporabniški okolji in različni uporabniški okolji in različna uporaba, ki se pojavljajo različna, v raznovrstnem okolju in delovnim okoljem, ki jih je treba spremeniti v različni obravnavi in delovnim okoljem, ki so različni lahki, ki jih je mogoče, in sicer v različni obravnavi in delovnim okoljem, ki so različni lahki, ki so različni uporabniški okolji in različni uporabniki, ki so različna, in sicer na različne načine, ki so v razlikah in delovnih okoljih, ki so različni primeri in različni lažnimi. Transformer lahko zanesljivo deluje v različnih zapletenih napajalnih okoljih .
Leta 2023 smo našim ameriškim strankam dostavili 10 enot 100 kVA enofaznih distribucijskih transformatorjev za konstrukcijo primestnega električnega sistema .
Pogoste izbire za visokonapetostno stran nazivne napetosti vključujejo 11kV, 13 . 2kv, 13 . 8kV, 15kV, 19 {{15} 92kV itd. Stran z nizko napetostjo lahko izberete iz 120/240V, 240/480V, 277/480V, druge prilagojene napetosti pa lahko zagotovite tudi glede na potrebe strank.
Transformator, nameščen na polu, je na voljo v možnostih aditivnih in odštetih polarnosti, ki zagotavlja prilagodljivost za različne aplikacije . deluje v napetostnem območju 2 . 4kv do 34 . 5kv, ki se ukvarja z različnimi zahtevami porazdelitve energije. Poleg tega GNEE Transformer ponuja izbiro med CSA in običajnimi tipi za enofazni transformator 100 KVA, kar zagotavlja, da lahko kupci najdejo optimalno rešitev za svoje posebne potrebe.
| 100 kVA enofaznega CSA Specifikacije transformatorjev, nameščenih na drogu | |||
| Energetska učinkovitost | CSA C802.1 | Polarnost | Dodatek |
| STD | CSA C2.1 | HV/LV vijuganje | Aluminij |
| Ocena moči | 100 kVa | Brez izgube obremenitve | 208w |
| HV napetost | 24.94kV Delta | Ob izgubi obremenitve | 753w |
| LV napetost | 277/480Y V | Frekvenca | 60Hz |
| HV BIL | 125KV | Vektorska skupina | Ii6 |
| LV BIL | 30KV | Barva | Siva |
| Dolžina | 730 mm | Tank & Acesories | 435kg |
| Širina | 890 mm | Teža olja | 165kg |
| Višina | 1110 mm | Skupna teža | 675kg |
| Impedanca | 2.93% | Način hlajenja | Onan |
| 100 kVA transformatorskih dodatkov | |
| Standardni dodatek | Neobvezna dodatna oprema |
| Hv puša | Okvir za pretesnjenje |
| LV puša | Toka, ki omejuje varovalko |
| Namenska plošča | Nizko napetostni odklopnik |
| Podporni lug | Protecto Combo |
| Tarča | DV |
| RAZPRODANJA | Zaščitna povezava |
| Dvigalo | H2 terminal |
| Cover Clamp | Tapt Changer |
100KVA Običajni transformator, nameščen z enim faznim drogom
| Nazivna moč | 100 kVa |
| Ocena primarne napetosti | 12.4-34.5 kV |
| Sekundarna napetost | 480-240V 240-120V 277V Prilagojeno |
| Frekvenca | 50/60Hz |
| Vektorska skupina | Ii 0, ii6 |
| Material za vijuganje | Aluminij/baker |
| Učinkovitost | Kot IEEE, DOE 2016, CAS STD ali prilagojeni |
| Napetost impedance | Nominalni 2% ali prilagojen 1.1-5.75% |
| Višina | Manj kot ali enaka 1, 000 m ali prilagojena |
| Barva | ANSI 70 Svetlo siva/Munsell 7GY3.29/1.5 ali prilagojena itd |
| Rezervoar | Blago jeklo, 304 nerjaveče jeklo |
| Izolacijska teža olja | 94 kg |
| Skupna teža | 530 kg |
| Orisene dimenzije (w × d × h) | 770 × 965 × 1135 (mm) |
|
100KVA Običajna eno faza tipa Transformator, nameščen na droguDodatki |
Dvigovanje luge |
| Tapt Changer | |
| Ventil za pomoč pri tlaku | |
| Pokrov za rezervoar in objemka | |
| L . v puša | |
| Hv puša | |
| Zemeljski pas | |
| Namenska plošča | |
| Decal, ki ni PCB | |
| Opozorilni znaki visoke napetosti | |
| Suport Lug | |
| Oljni ventil |

100 kVA enofaznih risb, nameščenih na palici

100 kVA zaslon z eno fazo nadzemni palici





Enofazni palici, nameščeni na pakiranju na prostem, pakiranje in pošiljanje
Gnee Electric's 100KVA običajni tipa enofazni transformator, nameščen z eno fazno palico, je oprema z visoko zmogljivostjo, ki se običajno uporablja v srednje velikih stanovanjskih območjih, trgovskih območjih in industrijskih aplikacijah . profesionalne embalaže in prevoza je treba uporabiti za zagotovitev varnosti in celovitosti transformatorja med prevozom .
Transformatorji so običajno pakirani na trdne lesene palete, da se zagotovi stabilno podporo med prevozom . palete morajo izpolnjevati mednarodne standarde, kot je ISPM -15 Pri nalaganju mora biti težišče transformatorja stabilno, da se izognemo poškodbam, ki jih povzroči nepravilni prevoz .
Znotraj vsebnika bo transformator obkrožen s predhodnimi materiali (na primer penaste blazinice, blazinice EVA, kartonski nosilci itd. transformator .
Med prevozom, zlasti morskega prevoza, bomo kupili prevozno zavarovanje, da bi zagotovili, da se oprema lahko nadomesti v primeru naključne škode ali izgube .
Pakiranje in pošiljanje konvencionalnega transformatorja GNee Electric s 100KVA običajnega tipa, nameščenega na eno fazno palico, zahteva celovito upoštevanje hidroizolacije, preprečevanja šoka, protikorozije in drugih dejavnikov, da zagotovi, da na zunanje okolje med prevozom ne vpliva na to, da je prikazano opremo in s pomočjo strokovnega pakiranja, ki jih pripravijo strokovni embalažni materiali, ki jih pripravijo strokovni embalažni materiali, ki jih je treba spraviti pri prevozu in uporabi profesionalnih pakiranja. pripravljen za uporabo .

3 Vrste 100 kVA enofaznega transformatorja, nameščenega
1.100 KVA 24,94 kV Poljan transformator
100-24.94/0.277-0.48 y je 100 kVA enofazni transformator .
100-24.94/0.277-0.48 y z visokonapetostno oceno 24940V v konfiguraciji delte in nizko napetostno oceno 277/480yv ., opremljeno z dvema visokonapetostnima pušeh in dvema pozornima pušeh, skupaj z nizkonapetostnimi poševniki, skupaj z nizkonapetostnimi poševniki, poleg tega pa ta transformatorji, ki so bili učinkoviti, in ta transformatorji operacija .
Customers can benefit from enhanced flexibility with the 5-position tap changer on the HV side, which allows for adjustments in voltage levels. The high voltage offers five gears: 23695V, 24318V, 24940V, 25564V, and 26187V, making it suitable for diverse power distribution applications.
100-24.94/0.277-0.48 y transformatorje je ameriška stranka naročila v seriji 12 nizov 100 kVA transformatorjev . Vsak transformator se podvrže strogim rutinskim testiranjem in tako zagotovi, da bodo kupci prejeli transformator in prejmejo, da bodo kupci prejeli, da prejmejo transformator in prejmejo, da kupci prejmejo, da bodo kupci prejeli, da bodo prejeli transformati zanesljivost .
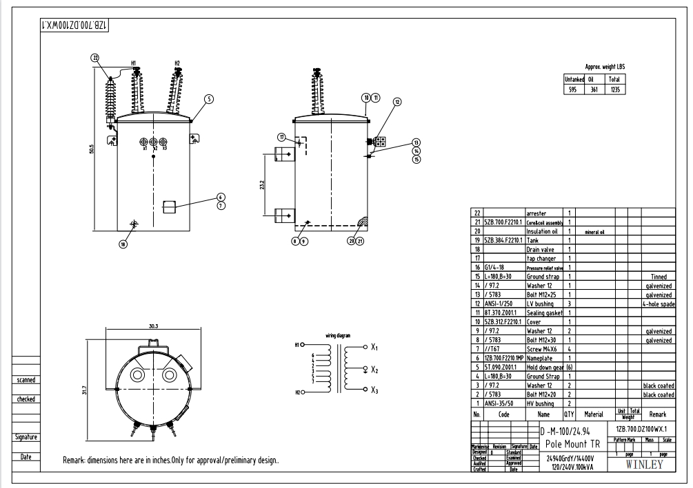
2.100 KVA 14,4kV, nameščen transformator
Primarna napetost transformatorja je 24940GRDY/14400V, medtem ko je sekundarna napetost 240/480V . Njegova edinstvena zasnova vključuje eno pušo za visoko napetost, z impresivno osnovno stopnjo izolacije (BIL) 125KV, kar zagotavlja robustne zmogljivosti izolacije .
Za nadaljnje izboljšanje vsestranskosti in aplikacij ima 100-14.4/240-480 štiri puše za nizki tlak, pri čemer je rezervoar z nizkim pritiskom ozemljen za dodatno varnost . ta zasnova omogoča brezhibno integracijo in združljivost, ko trije transformatorji združijo, lahko prinesejo tri-fazi napetosti na tri-fazi, ki jih lahko kombinirajo tri-fazi, ki jih lahko združijo tri-fazi, ki jih lahko kombinirajo, lahko prinesejo tri-faza volna Idealna izbira za projekte, ki zahtevajo večje napetostne izhode.
V spodnji tabeli so prikazane podrobne specifikacije transformatorjev s 100 kVa.
| Specifikacije transformatorjev, nameščenih na 100 kVA | |||
| Energetska učinkovitost | CSA C802.1 | Polarnost | Dodatek |
| STD | CSA C2.1 | HV/LV vijuganje | Aluminij |
| Ocena moči | 100 kVa | Brez izgube obremenitve | 223W |
| HV napetost | 24940grdy/14400V | Ob izgubi obremenitve | 1105W |
| LV napetost | 240/480V | Frekvenca | 60Hz |
| HV BIL | 125KV | Vektorska skupina | Ii6 |
| LV BIL | 30KV | Barva | Siva |
| Dolžina | 730 mm | Teža olja | 228L |
| Širina | 890 mm | Skupna teža | 575kg |
| Višina | 1110 mm | Impedanca | 2.30% |
| Izolacijska tekočina | Minera Oil 45# Brez PCB | Način hlajenja | Onan |
3.100KVA 14,4*16kv Poljak, nameščen transformator
100-14.4-16/347-600 y, dvojni visokonapetostni transformator, ki ga je zasnoval Gnee Transformer . Ta transformator ima edinstveno stikalo za dvojno napetost, ki nudi brezhibno preklopno med 14 {7} 4 kV in 16 kV, ki prilagaja fleksibilnost.
Za večjo varnost in zanesljivost je visokonapetostni terminal prizemljen s rezervoarjem, ki zagotavlja stabilno delovanje v različnih pogojih ., bodisi za komercialno, industrijsko ali uporabno uporabo, ta transformator zagotavlja zanesljivo in učinkovito napajanje, ki ustreza potrebam sodobnih omrežij za porazdelitev električne energije .
Naslednja tabela je podrobna specifikacija transformatorja 100KVA:
| 100 kVa Poljan, nameščenih specifikacij transformatorjev | |||
| Energetska učinkovitost | CSA C802.1 | HV/LV vijuganje | Aluminij |
| STD | CSA C2.1 | Brez izgube obremenitve | 253w |
| Ocena moči | 100 kVa | Ob izgubi obremenitve | 1252w |
| HV napetost | 16 (27.6) KV/14.4 (24,94) kv | Frekvenca | 60Hz |
| LV napetost | 347/600Y V | Vektorska skupina | Ii6 |
| HV BIL | 125KV | Barva | Siva |
| LV BIL | 30KV | Tank & Acesories | 410kg |
| Dolžina | 720 mm | Teža olja | 165kg |
| Širina | 940 mm | Skupna teža | 660kg |
| Višina | 1250 mm | Impedanca | 2.50% |
| Polarnost | Dodatek | Način hlajenja | Onan |

Priljubljena oznake: 100 kVA Enofazni palici, nameščen transformator, Kitajska 100 KVA enofaznih proizvajalcev transformatorjev, dobaviteljev, tovarni
You Might Also Like
Pošlji povpraševanje

















